| |
powtarzalnosć, odtwarzalność.
charakterystyki tribologiczne
Marian SZCZEREK*
PROBLEMY SYSTEMATYZACJI BADAŃ TRIBOLOGICZNYCH
Praca dotyczy problematyki systematyzacji eksperymentalnych badań tribologicznych. Zawiera opis opartych na systemowym podejściu rozważań, mających na celu stworzenie kompleksowego systemu identyfikacji charakterystyk tarcia i zużycia, pozwalającego na zwiększenie powtarzalności i odtwarzalności badań tribologicznych oraz ograniczenia zjawiska testing rush.
* Instytut Technologii i Eksploatacji Maszyn, 26-600 Radom, ul. Kazimierza Pułaskiego 6/10.
l. WPROWADZENIE
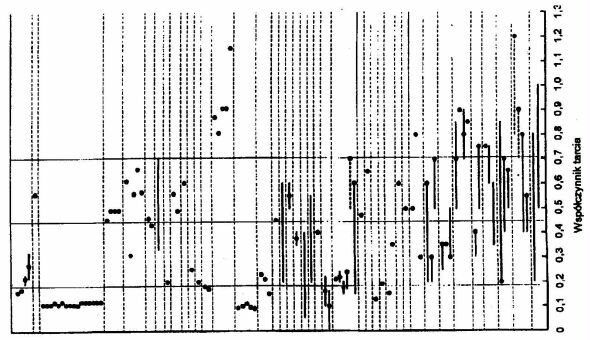
Porównywalność wyników eksperymentalnych badań tarcia i zużycia uzyskiwanych w różnych ośrodkach badawczych (ściśle definiowana normą ISO 5725 jako odtwarzalność [l]) jest niewystarczająca; nawet w przypadku takiego samego skojarzenia materiałowego styku testowego otrzymuje się na różnych maszynach badawczych różne charakterystyki tribologiczne, z rozrzutem dochodzącym do kilkuset procent. Przykład - przedstawione na rys. l wyniki badań materiałów ceramicznych zebrane przez Santnera (Federalny Instytut Badań Materiałowych, Niemcy) [2].
Rozrzut wyników badania cech indywidualnych materiału, takich jak wytrzymałość na rozrywanie, ściskanie, zginanie, skręcanie, ścinanie, określana różnymi metodami twardość, udarność czy wytrzymałość zmęczeniowa jest znacznie mniejszy - rzędu kilku procent. Istnieją również związki korelacyjne tych cech indywidualnych pozwalające na przeliczenia wartości różnych rodzajów wytrzymałości czy też twardości według różnych metod. Związków takich nie ma w przypadku charakterystyk tribologicznych.
Niezadowalająca odtwarzalność wyników badań tribologicznych wraz z niemożnością zbudowania związków korelacyjnych dla różnych charakterystyk tribologicznych świadczy o lukach w stanie wiedzy na temat tarcia i zużycia. Od strony poznawczej istotne jest więc określenie czynników wpływających na rozrzut wyników badań eksperymentalnych. Wytyczenie kierunków działań zmierzających do poprawy odtwarzalności i powtarzalności ma też znaczenie praktyczne - w prognozowaniu charakterystyk funkcjonalnych, trwałościowych, niezawodnościowych w pracach konstrukcyjnych i technologicznych oraz w procesach eksploatacji.
Wagi problemu podwyższenia odtwarzalności wyników badań eksperymentalnych tarcia i zużycia dowodzą zakrojone na coraz szerszą skalę prestandaryzacyjne programy badawcze, realizowane wspólnie przez wiele instytucji naukowych. Dowodzi tego również ustanowienie przez kraje G-7 międzynarodowego programu badawczego VAMAS pn. Rozwój materiałów i standaryzacja, w ramach którego w zespole pn. Testowanie zużycia w kilkudziesięciu laboratoriach wyznacza się według tej samej procedury charakterystyki tarciowe i zużyciowe.

Rys. l. Współczynnik tarcia TiN/stal [2]
Fig. l. Friction coefficion TiN/steel [2] |
Aktualność problematyki znajduje też uzasadnienie w innych licznie, chociaż bez szerszej podbudowy systemowej, podejmowanych działaniach. Na międzynarodowej konferencji w Esslingen w styczniu 1996 r. prezentowano bank danych charakterystyk materiałowych, przygotowywanych przez Federalny Instytut Badań Materiałowych (Niemcy) [3]. Zawiera on, uznane za niezbędne w tribologii, a zwłaszcza w tribotechnice, dane dotyczące ponad dziesięciu tysięcy skojarzeń materiałowych. Niestety, do uzyskania tych danych wykorzystywano wiele różnych maszyn badawczych, stąd, jak wykazano w tej pracy, ich wartość merytoryczna jest trudna do określenia.
Zaawansowane prace w tym zakresie prowadzone są w Federacji Rosyjskiej. Zainicjował je Biełyj i Swiridieniok [4], formułując ich główne założenia, oparte na analizie rozrzutu wyników badania współczynnika tarcia i zużycia uzyskiwanych w ośrodkach badawczych wielu krajów (wykazując, że ich wartości różniły nawet 20-krotnie). Przy Akademii Nauk utworzono wyspecjalizowaną sekcję, zajmującą się problemami standaryzacji i informatyzacji systemów tribologicznych i banków danych. Określone zostały podstawowe cele i wytyczne systemu informacyjnego SOVTRIBO, budowanego pod kierownictwem Zacharowa [5], [6], [7], ujmującego: bibliografię tribologiczną, typowe węzły tarcia, tribologiczne właściwości materiałów, urządzenia i metody badawcze. Częścią tego systemu są banki danych dotyczące: charakterystyk tribologicznych materiałów w próżni i w niskich temperaturach (opracowany w Akademii Nauk Ukrainy), charakterystyk tribologicznych polimerów i materiałów kompozytowych (Akademii Nauk Białorusi), charakterystyk tribologicznych materiałów stosowanych w budowie silników maszyn rolniczych (bank danych o nazwie WIBPAR [8]) oraz charakterystyk tribologicznych środków smarowych (Akademii Nauk Federacji Rosyjskiej).
W USA funkcjonuje bank danych o nazwie FIRST ACTIS [9], obejmujący, oprócz danych tribotechnicznych, wiele informacji o mechanicznych i fizykochemicznych właściwościach materiałów stosowanych na elementy węzłów tarcia oraz ich obróbce. W kraju interesującą propozycję przedstawił Zwierzycki [10], kładąc akcent na informacjach o charakterze statystycznym, niezbędnych z punktu widzenia prognozowania niezawodności na etapie projektowania systemów tribologicznych.
Intensywny rozwój tribologicznych banków danych wymaga opracowania systemu uzyskiwania informacji zapewniającego ich porównywalność (odtwarzalność).
2. SYSTEMOWA ANALIZA WĘZŁA TARCIA JAKO OBIEKTU BADAŃ TRIBOLOGICZNYCH
Podstawowym celem badań tribologicznych jest badanie zjawisk zachodzących w procesie tarcia, decydujących o jego charakterze i przebiegu, a w konsekwencji o jego podstawowych skutkach, którymi są opory ruchu i zużycie. W związku z tym inne skutki tarcia, jak: wydzielanie się ciepła, emisja hałasu itp., nie są traktowane jako główne (chociaż w technice, choć rzadko, ma to miejsce). Zatem identyfikowanie charakterystyk tribologicznych, tj. oporów ruchu i zużycia jest głównym zadaniem, którego realizację powinny umożliwiać maszyny badawcze.
Takie postawienie problemu umożliwia jednoznaczne sformułowanie zasadniczych założeń metodycznych eksperymentalnych badań tribologicznych. Należy do nich możliwość jak najbardziej dokładnego i powtarzalnego wyznaczania oporów ruchu i zużycia oraz identyfikacji jak największej liczby wielkości fizycznych, umożliwiających określenie ich wpływu na te charakterystyki.
Zużycie w wyniku tarcia należy zawsze do strat (chyba że chodzi o zdejmowanie warstwy materiału elementu trącego np. przez ścieranie, ale proces taki traktowany jest jako technologiczny - obróbka). Natomiast siła tarcia może być efektem pożądanym jak i niepożądanym. Jednakże z punktu widzenia funkcji węzła tarcia jako obiektu badań zarówno opory ruchu jak i zużycie stanowią obserwowane wielkości wyjściowe.
Na rysunku 2 przedstawiono typową sytuację badawczą: testowany węzeł tribologiczny (próbka, przeciwpróbka, środek smarowy, otoczenie), sterowane wielkości wejściowe (wymuszenia) i kontrolowane wielkości wyjściowe (odpowiedź układu). Według tego schematu obserwowane są rzeczywiste węzły tarcia i według tego schematu realizowane są ich badania. Zachodzi pytanie: co jest zatem przyczyną małej powtarzalności i jeszcze mniejszej odtwarzalności tych badań?

Rys. 2. Typowe parametry testu tribologicznego
Fig. 2. Typical tribological test parameters |
Dokonana w [11] analiza pracy węzła tarcia wskazuje na możliwość postawienia w rozważaniach tego problemu jako punkt wyjścia następujących tez:
- odporność na zużycie oraz opory ruchu są nie tylko indywidualnymi cechami materiałowymi, ani nawet właściwościami pary trącej, lecz są właściwością całego systemu tribologicznego i zależą od warunków pracy,
- odpowiedzią na przyłożone wymuszenia, oprócz oporów ruchu, zużycia oraz efektów takich jak drgania, ciepło i in., są także zmiany systemu tribologicznego.
Nie jest zatem, przykładowo, jednoznaczne określenie: współczynnik tarcia skojarzenia TiN/Si N czy TiN/stal M50; te same skojarzenia materiałowe badane w różnych warunkach (inaczej zdefiniowany system tribologiczny i inne wymuszenia) będą charakteryzowały inne opory ruchu. Bardzo wyraziście obrazują to dane zestawione przez Santnera (rys. l). To samo stwierdzenie dotyczy zużycia.
W badaniach tribologicznych, oprócz pomiaru zużycia i oporów ruch, dokonuje się często dodatkowych pomiarów wielkości, charakteryzujących odpowiedź układu na przyłożone wymuszenia: temperatury, rzadziej drgań i jeszcze rzadziej oporu elektrycznego strefy styku. Przeprowadzona na podstawie wyników badań własnych i danych literaturowych analiza wykazała [l1], że liczba czynników, którymi można opisać odpowiedź układu na przyłożone wymuszenia jest znacznie większa (rys. 3).
Do najbardziej istotnych (niekontrolowanych) czynników zaliczyć można:
- pojawienie się w strefie styku produktów zużycia,
- zmiana właściwości chemicznych,
- zmiana właściwości fizycznych (np. przewodnictwa cieplnego, rodzaju, rozkładu i zagęszczenia defektów mikrostruktury, wystąpienie lokalnych potencjałów elektrycznych) zmiana właściwości mechanicznych (modułu Younga, twardości) materiałów elementów trących,
- zmiana mikrogeometrii warstwy wierzchniej,
- zmiana rozkładu naprężeń w warstwie wierzchniej.

Rys. 3. Kontrolowane i niekontrolowane wielkości wejściowe i wyjściowe [II]
Fig. 3. Controlled and uncontrolled input and output [11] |
Wszystkie wymienione czynniki, będące odpowiedzią na wymuszenia, stanowią jednocześnie zmianę systemu tribologicznego (zmiana właściwości elementów i relacji).
Zdaniem autora, w analizie problemu należy również uwzględnić występowanie niekontrolowanych wielkości wejściowych, do których zaliczyć należy przede wszystkim drgania i ciepło przenoszone głównie z nadsystemu (maszyny, w której pracuje węzeł tarcia) i zanieczyszczenia zewnętrzne, przedostające się do strefy styku.
Bardzo istotnym parametrem, szczególnie w przypadku badania niesmarowanych węzłów tarcia, jest wilgotność powietrza; wyniki badań współczynnika tarcia i zużycia przy wilgotności powietrza zmieniającej się w typowym dla warunków laboratoryjnych zakresie mogą się różnić do kilkuset procent.
Istotnym, nie uwzględnianym czynnikiem jest sprzężenie zwrotne pomiędzy wielkościami wyjściowymi i wejściowymi. Przyjmując cybernetyczny opis węzła tarcia [12], [32] można stwierdzić, że ma ono głównie charakter energetyczny i przejawia się przez drgania i ciepło. Na przykład: narastające zużycie powoduje zmianę lub generowanie drgań, które zmieniają dynamikę obciążenia stanowiącego wymuszenie. Problem drgań w badaniach tribologicznych, choć dostrzegany [13-15], nie doczekał się dotychczas kompleksowego opracowania; norma amerykańska ASTM G99-90 [16] zawiera bliżej nieokreślone zalecenie minimalizacji ich wpływu, podobnie zagadnienie ujmuje w obszernym studium Protopopow [17].
Podobnie jest z ciepłem: generowane w wyniku zjawisk zachodzących w procesie tarcia ciepło powoduje zmianę właściwości materiałowych elementów węzła tarcia [32], np.: zmiany fazowe i mikrostruktury, decydujące o właściwościach sprężystych, które z kolei determinują odkształcenia i naciski powierzchniowe; zmiany fizykochemiczne, decydujące o rodzaju oddziaływań warstw wierzchnich elementów współpracujących; zmiany lepkości oleju. Procesy te Busze [17] nazwał dopasowywaniem się elementów systemu tribologicznego. Powstało wiele prac, mających na celu jego ocenę i kontrolę, umożliwiające optymalizację z punktu widzenia funkcji, jaką węzeł powinien spełniać [18], [19], [20]. Przewidywalność procesu dopasowywania się jest jednym z podstawowych warunków powtarzalności badań tribologicznych.
Ostatecznie należy stwierdzić, że zmiana każdej z wielkości ma wpływ na pracę węzła tarcia, przy czym wiele z nich pozostaje w sprzężeniu zwrotnym z wielkościami wejściowymi. Potwierdzają to wyniki programu badawczego zrealizowanego w kilkunastu laboratoriach USA [21]. Stwierdzono na ich podstawie, że największe znaczenie ze względu na powtarzalność i odtwarzalność wyników mają właśnie sztywność urządzenia badawczego decydująca o drganiach, sposób odprowadzania produktów zużycia oraz kształt próbek wpływający na rozkład temperatury. Zachodzi zatem pytanie: w jakim stopniu mierzone wielkości odpowiadają cechom badanego skojarzenia, a w jakim stopniu określa się własności całego urządzenia testowego?
Zgodnie z postulatem, by niekontrolowane wielkości wejściowe wydzielić w sposób jawny w postaci zakłóceń [11], podobnie jak czyni się to ze stratami (nie włączając w to charakterystyk identyfikowanych), na rys. 4, w ujęciu systemowym węzła tarcia sprzężenia te przedstawiono w układzie: straty-zakłócenia.
Drgania generowane w węźle tarcia nakładają się na drgania pochodzące z innych źródeł nadsystemu i spoza niego [22-24]. Różne urządzenia cechuje różna charakterystyka dynamiczna (bezwładność, sztywność, tłumienie). Zatem różna będzie dla nich relacja częstotliwości drgań wymuszonych do częstotliwości drgań własnych, decydująca o odległości od częstotliwości drgań rezonansowych.
Zmniejszenie rozrzutu wyników badań tribologicznych możliwe byłoby zatem przez ścisłe zdefiniowanie warunków badań, łącznie z urządzeniem badawczym. W przypadku identyfikacji charakterystyk tribologicznych na potrzeby charakteryzowania materiałów na elementy węzłów trących lub technologii ich obróbki, z punktu widzenia powtarzalności, a zwłaszcza odtwarzalności wyników, wyjściem byłoby opracowanie do poszczególnych rodzajów węzłów tarcia testerów, które miałyby charakter obowiązujących przyrządów pomiarowych.

Rys. 4. Zależność •wejście-wyjście w teście tribologicznym [11]
Fig. 4. Relation input-output in tribological test [11] |
Obwiednia systemu tribologicznego objęłaby w tym przypadku całą maszynę badawczą. Realne ze względów technicznych wydaje się opracowanie wytycznych metodycznych, które mogłyby podlegać standaryzacji. Obejmowałyby one nie tylko opis wymuszeń, ale też parametrów węzła tarcia i otoczenia. Z uwagi na trudności w projektowaniu urządzeń mechanicznych o z góry określonej charakterystyce częstotliwościowej, a jednocześnie w związku z dużym wpływem drgań na procesy tarcia, wydaje się celowe, dla każdej metody badawczej, wyznaczenie na drodze badań eksperymentalnych poziomu drgań testera, którego nie powinno się przekraczać.
3. APLIKACJA ANALIZY MORFOLOGICZNEJ ZWICKY'EGO DO BADANIA SYTUACJI TRIBOLOGICZNYCH
Z sytuacją tribologiczną mamy do czynienia wtedy, gdy dwa ciała dociskane do siebie przemieszczają się względem siebie, czemu towarzyszą opory ruchu i zużycie. W niektórych przypadkach istotne są również inne skutki tarcia, takie jak wydzielanie ciepła, drgania, hałas. Jednakże podstawowymi charakterystykami tribologicznymi są tylko opory ruchu i zużycie.
Rozpatrywanie ruchu względnego dociśniętych do siebie ciał oznacza, że ma się do czynienia z:
- bryłami, które charakteryzują kształt i materiał, opisywane wieloma parametrami geometrycznymi, fizycznymi, chemicznymi, mechanicznymi,
- obecnością lub nie środka smarowego,
- ruchem, charakteryzowanym kształtem toru, prędkością, rzadziej przyspieszeniem,
- obciążeniem, charakteryzowanym naciskami lub siłą,
- otoczeniem, charakteryzowanym składem atmosfery, temperaturą, wilgotnością itp.
Pomimo naturalnych ograniczeń, wynikających np. z wytrzymałości materiałów oraz możliwości uzyskania skończonych wartości prędkości, ilość możliwych do utworzenia z powyższych czynników kombinacji sytuacji tribologicznych jest nieskończenie wielka, stąd też w przyrodzie i technice występuje ogromna liczba różnorodnych węzłów tarcia. Towarzyszy temu duża, z tendencją wzrostu, liczba urządzeń badawczych z badanymi parami trącymi o różnym stopniu uproszczenia - od węzłów rzeczywistych, po bardzo proste próbki. Urządzenia te opracowywane są wg różnych zasad i kryteriów, umożliwiają badania tarcia i zużycia różnymi metodami, występują najczęściej jednostkowo, rzadziej seryjnie. Uzyskiwane wyniki cechuje mała powtarzalność i bardzo mała porównywalność.
Poprawę powtarzalności i porównywalności wyników eksperymentalnych badań tribologicznych powinny zapewnić unifikacja i standaryzacja, które z kolei wymagają stworzenia podstaw systemowych opartych na jednorodnej klasyfikacji węzłów tarcia i spójnych zasadach modelowania. Konieczne jest do tego określenie potrzeb badawczych, opracowanie metod identyfikacji charakterystyk tribologicznych oraz realizujących te metody urządzeń badawczych.
Dotychczasowy stan wiedzy tribologicznej i istniejące ograniczenia w stosowaniu zasad teorii modelowania powodują konieczność szukania innych sposobów realizacji tego zadania. Może nim być metoda oparta na wykorzystaniu analizy morfologicznej, zaproponowanej przez amerykańskiego astronoma Zwicky'ego z California Institute of Technology [25-27]. Metoda ta umożliwia podejście systemowe, pozwalając jednocześnie na objęcie nim najbardziej rozpowszechnionych rozwiązań istniejących.
Według definicji Zwicky'ego analiza morfologiczna jest metodą systematycznego badania wszystkich możliwych rozwiązań danego problemu, bazującą na podstawowych zasadach teorii zbiorów skończonych, wykorzystywanych w analizie kombinatorycznej [28]. Znając niektóre szczególne rozwiązania należy sformułować definicję problemu i ustalić główne, charakteryzujące go parametry, a także główne wartości, które mają być przypisane poszczególnym parametrom.
Bazą wyjściową aplikacji analizy morfologicznej są zbiory formujące, utworzone z parametrów przypisanych kryteriom modelowania. Przeanalizowane w [11] problemy z zastosowaniem w tribologii teorii podobieństwa powodują, że w praktyce jako użyteczne kryteria modelowania przyjmuje się wymienione wyżej cechy węzłów tarcia oraz przyłożone do nich wymuszenia. Należą do nich zatem: rodzaj styku, geometria, kinematyka, obciążenie, materiał, smarowanie styku i rodzaj smaru, otoczenie oraz wielkości badane (zużycie opory ruchu, temperatura i in.).
Analiza wykazała, że utworzona przez powyższe zbiory formujące liczba rozmieszczeń - badawczych sytuacji tribologicznych - wynosi ok. 700 000, a przyjęcie tylko dla zbioru formującego utworzonego przez materiały elementów węzła tarcia zaledwie trzech (przy możliwych w praktyce dziesiątkach) wartości liczbowych zwiększa liczbę kombinacji do ponad dwóch milionów.
Przy tak ogromnej liczbie możliwych wariantów kombinacji sytuacji tribologicznych brak systemowych podstaw przy tworzeniu metod badawczych jest przyczyną ich wielkiej mnogości i rozproszenia. Jeśli nawet przyjąć, że każda z nich jest poprawna z punktu widzenia założonego celu, to osiągnięcie pełnego rozwiązania w postaci zapełnienia całej przestrzeni kombinatorycznej nie jest możliwe. Tworzenie coraz to nowych metod jest zatem jej zapełnianiem drogą randomizacji.
Wnioski z kompleksowych analiz i badań (przedstawionych szczegółowo w [11]) prowadzą do stwierdzenia, że dokonując systematyki węzłów tarcia, mającej na celu ograniczenie ich liczby z punktu widzenia identyfikacji charakterystyk tribologicznych, należy wyjść z następującego założenia:
budując macierz wariantów modelowych węzłów tarcia należy bazować na geometrii elementów i kinematyce, decydujących o podstawowej funkcji węzła tarcia jako węzła kinematycznego; zmiana wartości parametrów z pozostałych zbiorów formujących powoduje tylko zmiany ilościowe parametrów tarcia i zużycia, nie powodując zmian funkcji kinematycznych węzła tarcia.
Konsekwencją przyjęcia geometrii elementów trących oraz kinematyki jako podstawowych kryteriów klasyfikacji węzła tarcia jest przyjęcie następujących warunków determinujących tribologiczne sytuacje badawcze:
- zgodnie z powszechnie obowiązującymi definicjami zużycia dotyczy ono materiału elementów trących i dlatego materiał należy do podstawowych obiektów badań tribologicznych, a więc jest główną zmienną. Jako taki nie powinien być traktowany jako kryterium klasyfikacyjne,
- cechy mikrogeometryczne, podobnie jak materiał, można pominąć dlatego, że (podobnie jak właściwości mechaniczne i fizykochemiczne materiału) nie determinują one istoty węzła kinematycznego, a określają właściwości warstwy wierzchniej,
- podobnie obciążenie; z definicji węzła tarcia jest ono zadawane normalnie do powierzchni w punkcie (punktach) styku a kierunek jego oddziaływania na elementy trące jest odchylony od kierunku normalnego o kąt określony stożkiem tarcia,
- ponieważ każdy przypadek ruchu oscylacyjnego jest tylko de facto zmianą wartości wektora prędkości, również on, jako nie zmieniający istoty kinematyki węzła tarcia, może być wyłączony spośród parametrów zbiorów formujących. Ruch wiertny, z kolei, jest szczególnym przypadkiem ruchu ślizgowego,
- specyficzne miejsce w systematyce tribologicznej ma środek smarowy. Jego funkcję rozważać można jako funkcję warstwy wierzchniej elementów trących (tarcie graniczne) lub jako funkcję partnera w procesie tarcia (smarowanie HD, a szczególnie EHD, kiedy w ekstremalnych warunkach warstwa smarowa jest sztywniejsza od materiałów konstrukcyjnych węzła tarcia). Chociaż żadna z tych funkcji nie ma związku z funkcją pary ciernej jako węzła kinematycznego, obecność lub brak smaru (ale nie jego rodzaj czy parametry) powinny być brane pod uwagę przy klasyfikacji tribologicznych sytuacji badawczych z uwagi na powodowanie zasadniczej zmiany zachodzących w węzłach tarcia procesów.
Analiza morfologiczna obejmuje więc przestrzeń kombinatoryczną, którą można opisać już znacznie mniejszą liczbą elementów w iloczynie morfologicznym - mniejszą od 300.
Dalsze ograniczenie przestrzeni kombinatorycznej umożliwia zastosowanie wielu metod badania morfologicznego, bez konieczności uciekania się do metod losowych, takich jak Monte Carlo (randomizacji) czy błądzenia losowego. Możliwe jest zastosowanie metody delfickiej lub sekwencyjnej, bazującej na nadawaniu każdemu r-połączeniu wag, będących tzw. subiektywnym prawdopodobieństwem. W przypadku badań tribologicznych sytuacja jest korzystniejsza; jako kryterium analizy zastosować można stopień upowszechnienia metod, przy czym nie ma konieczności przypisywania im jakichkolwiek wskaźników numerycznych, oddających stopień upowszechnienia; można posłużyć się faktem ich normalizacji. U podstaw tego stoi fakt, że normalizowane są procedury najszerzej stosowane, a to wynika z kolei z częstości występowania w technice danych węzłów tarcia. W analizach opisanych w cytowanej pracy rozpatrzono metody zawarte w normach technicznych polskich (PN i BN) oraz zagranicznych, o największym zasięgu: ASTM, i MIL (USA), BS i IP (Wielka Brytania), D1N (Niemcy), FIAT (Włochy) oraz GOST (WNP) [29], [30], [31].
Po tych radykalnych ograniczeniach przestrzeni kombinatorycznej powstaje macierz, w której liczba elementów w iloczynie morfologicznym jest mniejsza od 200. Macierz tę można określić jako macierz potrzeb w zakresie badań tribologicznych, albo krócej jako macierz modelowych badań tribologicznych.
Każde pole tej macierzy reprezentuje określoną sytuację badawczą (np. badanie oporów ruchu), której można przyporządkowywać metody pomiarowe (tu: siły lub momentu tarcia). Analiza kombinatoryczną pozwolą na dalsze ograniczenie liczby sytuacji badawczych poprzez wyeliminowanie sytuacji nierealnych (tzw. prawdziwie niemożliwych), będących ograniczeniami logicznymi, prowadzących do niedopuszczalnych kombinacji. Jako kryterium badania służy powiązanie geometrii z kinematyką (odbieranie stopni swobody); np. w styku konforemnym możliwy jest wyłącznie ruch ślizgowy.
Weryfikacji poprawności zbudowanej macierzy dokonano [11] przez odniesienie do niej istniejących, najszerzej rozpowszechnionych metod badań tribologicznych. Przypisanie poszczególnym metodom odpowiadających im pól macierzy było w każdym przypadku jednoznaczne. Równie jednoznaczne przyporządkowanie można stwierdzić odnośnie szeregu przeanalizowanych nieznormalizowanych metod badań tarcia i zużycia.
Na podstawie analizy ok. 200 istniejących urządzeń do badania tarcia i zużycia, z których większość umożliwia przeprowadzenie co najmniej kilku różnych testów (metod) można stwierdzić, że tak zbudowana macierz dobrze ujmuje najważniejsze sytuacje tribologiczne. Może być zatem postawą stworzenia kompleksowego systemu metod badań tribologicznych, umożliwiającego zwiększenie powtarzalności i odtwarzalności wyników oraz ograniczenie zjawiska testing rush (olbrzymiej i rosnącej liczby stanowisk badawczych).
4. ZAKOŃCZENIE
W związku z brakiem ogólnych formuł opisujących procesy tarcia i istnieniem dziesiątków, często różniących się znacznie od siebie, rozwiązań szczegółowych dotyczących tych samych problemów, zastosowanie zasad teorii modelowania jest bardzo ograniczone. Dlatego podejmowane są działania takie, jak np. zawarte w normie niemieckiej D1N 50 320, w której problem relacji badania modelowe - obiekt rzeczywisty oparto na tzw. łańcuchu tribologicznym Heinke'go (stopniowej redukcji w kolejnych, coraz bardziej upraszczanych etapach badań eksperymentalnych, wielkości mniej istotnych). Wydaje się, że obecnie najlepszym rozwiązaniem problemu przenoszenia wyników badań modelowych na obiekty rzeczywiste byłoby zastosowanie logiki rozmytej (fuzzy logie), coraz, szerzej stosowanej w technice w sytuacji, gdy nie ma możliwości budowy wystarczająco dokładnych modeli matematycznych. Współczesna technika komputerowa umożliwia operowanie dużymi bazami danych. Oparty na opisanym wyżej podejściu system badań umożliwia stworzenie skutecznej podstawy tworzenia niezbędnych do tego celu baz danych wielkości tribologicznych, które w głównej mierze pozyskiwane są drogą badań eksperymentalnych.
|
| |
LITERATURA
- [ 1]
- ISO 5725-1986(E), Determination of repeatability and reproducibility for a standard test method by inter-laboratory tests.
- [ 2]
- SANTNER E., Comparison of wear and friction measurements of TiN coatings. Tribologia 1/95, s.7-29.
- [ 3]
- WOYDT M., METEL H., ERLEBACH R., SANTNER E., Tribocollect - Trihological database with more than 10,000 data sets. l0th International Colloquium Tribology - Solving friction and Wear Problems. Esslingen, s. 1241-1242.
- [ 4]
- BIELYJ V.A., SVIRIDENOK A.L, Aktualnye napravlenija razvitia issledovanija v oblasti trenija i iznasiwanija. Trenije i iznos, 1/1987, s. 5-24.
- [ 5]
- GOŁEGO N.L., ZACHAROV S.M., BUDJA A.P., NATANSON M.E., Nacionalnye informacjonnye bazy dannych po tribologii. Trenije i iznos, 6/1988, s. 1103-1108.
- [ 6]
- ZACHAROV S.M., O robotach po sozdaniju informacjonnoj sistemy po tribologii. Trenie i iznos. 4/1990.s. 750-751.
- [ 7]
- ZACHAROV S.M., Kompjuternaja tribologija. Trenie i iznos, 1/1993, s. 98-106.
- [ 8]
- DOKUCAEVA E.N., LAPTEVA V.G., Avtomatizirovannyj vybor materialov dla uzlov trenia skolzenija technologiceskogo oborudovanija. Stanki i Instrument, 9/1988, s. 16-17.
- [ 9]
- RUFF A.W., Tribological data: needs and opportunities. EUROTRIB'89, Helsinki, s. 26-3 l.
- [10]
- ZWIERZYCKI W., Procesy zużyciowe przy tarciu ślizgowym {problemy obliczeniowe}. XVIII Szkoła Tribologiczna, Kołobrzeg 1992, s. 97-131.
- [11]
- SZCZEREK M., Metodologiczne problemy systematyzacji systematyzacji eksperymentalnych badań tribologicznych. ITeE, Radom, s. 245.
- [12]
- MARCZAK R., Smarowanie w warunkach specyficznych wymuszeń. XVIII Szkoła Tribologiczna. 1992, vol. l, s. 23-45.
- [13]
- KATO K., IWABUCH1 A., KYABA K., The effects of friction inducted vibration on friction and wear. WEAR, 8/1982, s. 13-28.
- [14]
- KICINSKI J., Hydrodynamiczne smarowanie węzłów tarcia i ich związek z własnościami maszyny. XXI Szkoła Tribologiczna, 1996, s. 570-577.
- [15]
- GEKKER F.R., HAJRALEY S.I., Ob ustojcivosti skolzenija tela po dwizusce-musja osnovaniju. Trenie i iznos. 4/1992, s. 582-587.
- [16]
- PROTOPOPOV B.V., Strukturno-energeticeskaja koncepcija standartizacii tribosystem. Trenie i iznos, 1/1993, s. 174-193.
- [17]
- BUŚE N.A., Problemy trenija i iznasnanija. Kiev, 1971, s. 17-21.
- [18]
- BUŚE N.A., KOPYTKO V.V., Sovmestimost truscichsja poverchnostej. Nauka, 1981, s. 223.
- [19]
- GEKKER F.R., Dinamika masin, rabotajuscich bez smazocnych materialov uzłach trenia. Masinostroenie, 1983, s. 163.
- [20]
- BUJANOYSKI LA.. BUŚE N.A., Tribotechniceskie konstrukcionnye i smazocnye materialy dla uzlow trenija i detalej masin. Osnovy tribologii. Moskva, 1995, s. 481-584.
- [21]
- RUFF A.W., Comparison of standard test methods for non-lubricaled sliding wear. Wear 134/1989, s.49-57.
- [22]
- KUŹELEY P.V., GEKKER F.R., Analiz sklonnosti frikcionnych par k wibroaktivnosti. Trenie i iznos, 5/1991,s. 812-815.
- [23]
- GRUDZIŃSK1 K., WARDA B.J., ZAPŁATA M., Research on dynamie friction processes in nonstationary conditions of sliding motion. INSYCONT '94, vol. 4/94, s. 442-453.
- [24]
- GEKKER F.R., Wlijanie dinamićieskogo kontaktnogo vzmodejstva na silu trenija skolzenija. Masinovedenie, 5/1985, s. 88-93.
- [25]
- ZWICKY F., Discovery, Invention, Research, through Morphological Approach. MacMillan, 1969.
- [26]
- BRIGHT J.R., SCHOEMAN M.F., A Guide to practical Technological Forecasting. Prentice-Hall. Inc., New Jersey, 1973.
- [27]
- ZWICKY F., Morphology of Propulsiye Power. Society for Morphological Research. Pasadena, California, 1962.
- [28]
- KAUFMANN A., FUSTIER M., DREYET A., L'inventique. Nouvelles Methodes de creatmte. Enterprise Moderne d'Edition, Paris, 1970.
- [29]
- BLAU P.J.(editor), A compilation of international standards for friction and wear testing of materials. Report VAMAS, No. 14, 1993, s. 7-49.
- [30]
- KARASIK I.L., Metody tribologiceskich ispytanij w nacionalnych stronach stran mira. Nauka i Technika. Moskva, 1993, s. 278-325.
- [31]
- BUDINSKI K.G., Tribologija-issledovanija i prilozenija - opyt SSA i SNG, s. 378-410.
- [32]
- LAWROWSK1 Z., Tribologia. PWN, Warszawa, 1993, s. 279-302.
SYSTEMATISATION PROBLEMS OF THE TRIBOLOGICAL INVEST1GATI0N
The theoretical fundamentals for the complex approach to the tribological experiments are given with aim to improve the repeatability and reproducibility and also to reduce the great and steel grooving number of test rigs. The system analyses have been perfonned on the basis of the comprehensive methods (Czihos' system approach, Heinke's tribological chain, Braun and Cziczinadze's theory of modelling. Zwicky's morphology, Bushe's theory of compatibility).
|